Debugger with C232HM (FTDI) STM32

I now get …

Processing debug_STM32F446RE (platform: ststm32; framework: arduino; board: genericSTM32F446RE; monitor_speed: 115200; platform_packages: platformio/tool-openocd@^3.1200.0; debug_tool: custom; debug_server: C:\Users\pleserf\.platformio\packages/tool-openocd/bin/openocd, -s, C:\Users\pleserf\.platformio\packages/tool-openocd/openocd/scripts, -f, interface/ftdi/c232hm.cfg, -c, "transport select jtag", -f, target/stm32f4x.cfg; upload_protocol: custom; upload_flags: C:\Users\pleserf\.platformio\packages/tool-openocd/bin/openocd, -s, C:\Users\pleserf\.platformio\packages/tool-openocd/openocd/scripts, -f, interface/ftdi/c232hm.cfg, -c, transport select jtag, -f, target/stm32f4x.cfg; upload_command: C:\Users\pleserf\.platformio\packages/tool-openocd/bin/openocd $UPLOAD_FLAGS -c "program {$SOURCE} 0x8000000 verify reset; shutdown;")
-----------------------------------------------------------------------------------------------------------------------------------------------------------------------
CONFIGURATION: https://docs.platformio.org/page/boards/ststm32/genericSTM32F446RE.html
PLATFORM: ST STM32 (17.0.0) > STM32F446RE (128k RAM. 512k Flash)
HARDWARE: STM32F446RET6 180MHz, 128KB RAM, 512KB Flash
DEBUG: Current (custom) External (blackmagic, jlink, stlink)
PACKAGES:
 - framework-arduinoststm32 @ 4.20600.231001 (2.6.0)
 - framework-cmsis @ 2.50700.210515 (5.7.0)
 - tool-dfuutil @ 1.11.0
 - tool-dfuutil-arduino @ 1.11.0
 - tool-openocd @ 3.1200.0 (12.0)
 - tool-stm32duino @ 1.0.2
 - toolchain-gccarmnoneeabi @ 1.120301.0 (12.3.1)
LDF: Library Dependency Finder -> https://bit.ly/configure-pio-ldf
LDF Modes: Finder ~ chain, Compatibility ~ soft
Found 12 compatible libraries
Scanning dependencies...
No dependencies
Building in release mode
MethodWrapper(["checkprogsize"], [".pio\build\debug_STM32F446RE\firmware.elf"])
Advanced Memory Usage is available via "PlatformIO Home > Project Inspect"
RAM:   [          ]   0.6% (used 832 bytes from 131072 bytes)
Flash: [          ]   0.7% (used 3636 bytes from 524288 bytes)
.pio\build\debug_STM32F446RE\firmware.elf  :

section             size        addr

.isr_vector          452   134217728

.text               3552   134218180

.rodata                0   134221732

.ARM.extab             0   134221732

.ARM                   0   134221732

.preinit_array         0   134221732

.init_array            8   134221732

.fini_array            8   134221740

.data                 84   536870912

.bss                 748   536870996

.noinit                0   536871744

._user_heap_stack   1536   536871744

.ARM.attributes       48           0

.comment              57           0

Total               6493
<lambda>(["upload"], [".pio\build\debug_STM32F446RE\firmware.bin"])
AVAILABLE: blackmagic, custom, dfu, jlink, serial, stlink
CURRENT: upload_protocol = custom
C:\Users\pleserf\.platformio\packages/tool-openocd/bin/openocd C:\Users\pleserf\.platformio\packages/tool-openocd/bin/openocd -s C:\Users\pleserf\.platformio\packages/tool-openocd/openocd/scripts -f interface/ftdi/c232hm.cfg -c "transport select jtag" -f target/stm32f4x.cfg -c "program {.pio\build\debug_STM32F446RE\firmware.bin} 0x8000000 verify reset; shutdown;"
xPack Open On-Chip Debugger 0.12.0-01004-g9ea7f3d64-dirty (2023-01-30-15:04)
Licensed under GNU GPL v2
For bug reports, read
        http://openocd.org/doc/doxygen/bugs.html
Unexpected command line argument: C:\Users\pleserf\.platformio\packages/tool-openocd/bin/openocd
*** [upload] Error 1

Oh yeah OpenOCD is double in the upload flags.

[env:debug_STM32F446RE]
platform = ststm32
framework = arduino
board = genericSTM32F446RE
monitor_speed= 115200
platform_packages = platformio/tool-openocd@^3.1200.0
debug_tool = custom
debug_server = 
    ${platformio.packages_dir}/tool-openocd/bin/openocd
    -s 
    ${platformio.packages_dir}/tool-openocd/openocd/scripts
    -f 
    interface/ftdi/c232hm.cfg
    -c 
    "transport select jtag" 
    -f
     target/stm32f4x.cfg

upload_protocol = custom
upload_flags =
    -s 
    ${platformio.packages_dir}/tool-openocd/openocd/scripts
    -f 
    interface/ftdi/c232hm.cfg
    -c 
    transport select jtag
    -f
     target/stm32f4x.cfg
upload_command = ${platformio.packages_dir}/tool-openocd/bin/openocd $UPLOAD_FLAGS -c "program {$SOURCE} 0x8000000 verify reset; shutdown;"

Ah, that helped

Processing debug_STM32F446RE (platform: ststm32; framework: arduino; board: genericSTM32F446RE; monitor_speed: 115200; platform_packages: platformio/tool-openocd@^3.1200.0; debug_tool: custom; debug_server: C:\Users\pleserf\.platformio\packages/tool-openocd/bin/openocd, -s, C:\Users\pleserf\.platformio\packages/tool-openocd/openocd/scripts, -f, interface/ftdi/c232hm.cfg, -c, "transport select jtag", -f, target/stm32f4x.cfg; upload_protocol: custom; upload_flags: -s, C:\Users\pleserf\.platformio\packages/tool-openocd/openocd/scripts, -f, interface/ftdi/c232hm.cfg, -c, transport select jtag, -f, target/stm32f4x.cfg; upload_command: C:\Users\pleserf\.platformio\packages/tool-openocd/bin/openocd $UPLOAD_FLAGS -c "program {$SOURCE} 0x8000000 verify reset; shutdown;")
-----------------------------------------------------------------------------------------------------------------------------------------------------------------------
CONFIGURATION: https://docs.platformio.org/page/boards/ststm32/genericSTM32F446RE.html
PLATFORM: ST STM32 (17.0.0) > STM32F446RE (128k RAM. 512k Flash)
HARDWARE: STM32F446RET6 180MHz, 128KB RAM, 512KB Flash
DEBUG: Current (custom) External (blackmagic, jlink, stlink)
PACKAGES:
 - framework-arduinoststm32 @ 4.20600.231001 (2.6.0)
 - framework-cmsis @ 2.50700.210515 (5.7.0)
 - tool-dfuutil @ 1.11.0
 - tool-dfuutil-arduino @ 1.11.0
 - tool-openocd @ 3.1200.0 (12.0)
 - tool-stm32duino @ 1.0.2
 - toolchain-gccarmnoneeabi @ 1.120301.0 (12.3.1)
LDF: Library Dependency Finder -> https://bit.ly/configure-pio-ldf
LDF Modes: Finder ~ chain, Compatibility ~ soft
Found 12 compatible libraries
Scanning dependencies...
No dependencies
Building in release mode
MethodWrapper(["checkprogsize"], [".pio\build\debug_STM32F446RE\firmware.elf"])
Advanced Memory Usage is available via "PlatformIO Home > Project Inspect"
RAM:   [          ]   0.6% (used 832 bytes from 131072 bytes)
Flash: [          ]   0.7% (used 3636 bytes from 524288 bytes)
.pio\build\debug_STM32F446RE\firmware.elf  :

section             size        addr

.isr_vector          452   134217728

.text               3552   134218180

.rodata                0   134221732

.ARM.extab             0   134221732

.ARM                   0   134221732

.preinit_array         0   134221732

.init_array            8   134221732

.fini_array            8   134221740

.data                 84   536870912

.bss                 748   536870996

.noinit                0   536871744

._user_heap_stack   1536   536871744

.ARM.attributes       48           0

.comment              57           0

Total               6493
<lambda>(["upload"], [".pio\build\debug_STM32F446RE\firmware.bin"])
AVAILABLE: blackmagic, custom, dfu, jlink, serial, stlink
CURRENT: upload_protocol = custom
C:\Users\pleserf\.platformio\packages/tool-openocd/bin/openocd -s C:\Users\pleserf\.platformio\packages/tool-openocd/openocd/scripts -f interface/ftdi/c232hm.cfg -c "transport select jtag" -f target/stm32f4x.cfg -c "program {.pio\build\debug_STM32F446RE\firmware.bin} 0x8000000 verify reset; shutdown;"
xPack Open On-Chip Debugger 0.12.0-01004-g9ea7f3d64-dirty (2023-01-30-15:04)
Licensed under GNU GPL v2
For bug reports, read
        http://openocd.org/doc/doxygen/bugs.html
jtag
Info : clock speed 2000 kHz
Info : JTAG tap: stm32f4x.cpu tap/device found: 0x4ba00477 (mfg: 0x23b (ARM Ltd), part: 0xba00, ver: 0x4)
Info : JTAG tap: stm32f4x.bs tap/device found: 0x06421041 (mfg: 0x020 (STMicroelectronics), part: 0x6421, ver: 0x0)
Info : [stm32f4x.cpu] Cortex-M4 r0p1 processor detected
Info : [stm32f4x.cpu] target has 6 breakpoints, 4 watchpoints
Info : starting gdb server for stm32f4x.cpu on 3333
Info : Listening on port 3333 for gdb connections
Info : [stm32f4x.cpu] external reset detected
Info : JTAG tap: stm32f4x.cpu tap/device found: 0x4ba00477 (mfg: 0x23b (ARM Ltd), part: 0xba00, ver: 0x4)
Info : JTAG tap: stm32f4x.bs tap/device found: 0x06421041 (mfg: 0x020 (STMicroelectronics), part: 0x6421, ver: 0x0)
Error: timed out while waiting for target halted
embedded:startup.tcl:1516: Error: ** Unable to reset target **
in procedure 'program'
in procedure 'program_error' called at file "embedded:startup.tcl", line 1553
at file "embedded:startup.tcl", line 1516
*** [upload] Error 1

But it failed to burn the firmware and also the chip was suddenly reset? Does this happen every time and without you pressing any reset button?

The device is also not in bootloader mode? (BOOT0 / BOOT1 pins are both at GND)

This happens without pressing a RST button. Yes, both BOOT pins are on GND. Is the problem that I have no reset line at JTAG?

The interface definition does not define a pin as TRST (test-reset) that may be connected to NRST to issue a hardware-reset… However, a software-reset should still be possible. The possible misconfigure is in

when it would maybe need reset_config none and cortex_m reset_config sysresetreq for a software reset (see doc). Just try overriding those settings after the target file is included, like

[env:debug_STM32F446RE]
platform = ststm32
framework = arduino
board = genericSTM32F446RE
monitor_speed= 115200
platform_packages = platformio/tool-openocd@^3.1200.0
debug_tool = custom
debug_server = 
    ${platformio.packages_dir}/tool-openocd/bin/openocd
    -s 
    ${platformio.packages_dir}/tool-openocd/openocd/scripts
    -f 
    interface/ftdi/c232hm.cfg
    -c 
    "transport select jtag" 
    -f
     target/stm32f4x.cfg

upload_protocol = custom
upload_flags =
    -s 
    ${platformio.packages_dir}/tool-openocd/openocd/scripts
    -f 
    interface/ftdi/c232hm.cfg
    -c 
    transport select jtag
    -f
     target/stm32f4x.cfg
    -c
    reset_config none
    -c
    cortex_m reset_config sysresetreq
upload_command = ${platformio.packages_dir}/tool-openocd/bin/openocd $UPLOAD_FLAGS -c "program {$SOURCE} 0x8000000 verify reset; shutdown;"

I have tried it out, but unfortunately nothing has changed. I have also found your solution on another forum: sparkfun

In addition I have noted that the scan_chain command seemed strange to me, because IDCode and Expected from Boundary Scan do not match.

> scan_chain
   TapName             Enabled  IdCode     Expected   IrLen IrCap IrMask
-- ------------------- -------- ---------- ---------- ----- ----- ------
 0 stm32f4x.cpu           Y     0x4ba00477 0x4ba00477     4 0x01  0x0f
 1 stm32f4x.bs            Y     0x06421041 0x00000000     5 0x01  0x03

Final Solution:

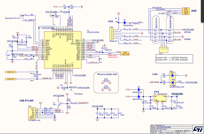
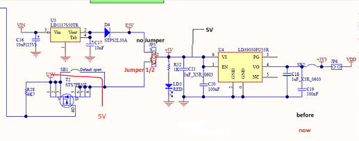
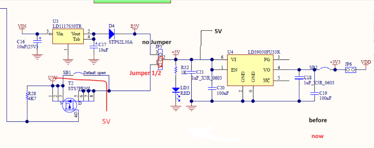
The problem was that the debugging chip on the Nucleo board had no 3.3V supply. I thought it is better if the chip has no power supply, that it does not interfere with the JTAG. But that was the problem. I have now added the 5V where the VBUS supply actually comes in and set the jumper JP6 as in the picture.



Platformio.ini

[env:debug_STM32F446RE]
platform = ststm32
framework = arduino
board = genericSTM32F446RE
monitor_speed= 115200
platform_packages = platformio/tool-openocd@^3.1200.0
debug_tool = custom
debug_server = 
    ${platformio.packages_dir}/tool-openocd/bin/openocd
    -s 
    ${platformio.packages_dir}/tool-openocd/openocd/scripts
    -f 
    interface/ftdi/c232hm.cfg
    -c 
    transport select jtag
    -f
     target/stm32f4x.cfg

upload_protocol = custom
upload_flags =
    -s 
    ${platformio.packages_dir}/tool-openocd/openocd/scripts
    -f 
    interface/ftdi/c232hm.cfg
    -c 
    transport select jtag
    -f
     target/stm32f4x.cfg
upload_command = ${platformio.packages_dir}/tool-openocd/bin/openocd $UPLOAD_FLAGS -c "program {$SOURCE} 0x8000000 verify reset; shutdown;"

Terminal message

Processing debug_STM32F446RE (platform: ststm32; framework: arduino; board: genericSTM32F446RE)
-----------------------------------------------------------------------------------------------------------------------------------------------------------------------
Verbose mode can be enabled via `-v, --verbose` option
CONFIGURATION: https://docs.platformio.org/page/boards/ststm32/genericSTM32F446RE.html
PLATFORM: ST STM32 (17.0.0) > STM32F446RE (128k RAM. 512k Flash)
HARDWARE: STM32F446RET6 180MHz, 128KB RAM, 512KB Flash
DEBUG: Current (custom) External (blackmagic, jlink, stlink)
PACKAGES:
 - framework-arduinoststm32 @ 4.20600.231001 (2.6.0)
 - framework-cmsis @ 2.50700.210515 (5.7.0)
 - tool-dfuutil @ 1.11.0
 - tool-dfuutil-arduino @ 1.11.0
 - tool-openocd @ 3.1200.0 (12.0)
 - tool-stm32duino @ 1.0.2
 - toolchain-gccarmnoneeabi @ 1.120301.0 (12.3.1)
LDF: Library Dependency Finder -> https://bit.ly/configure-pio-ldf
LDF Modes: Finder ~ chain, Compatibility ~ soft
Found 12 compatible libraries
Scanning dependencies...
No dependencies
Building in release mode
Checking size .pio\build\debug_STM32F446RE\firmware.elf
Advanced Memory Usage is available via "PlatformIO Home > Project Inspect"
RAM:   [          ]   0.6% (used 832 bytes from 131072 bytes)
Flash: [          ]   0.7% (used 3632 bytes from 524288 bytes)
Configuring upload protocol...
AVAILABLE: blackmagic, custom, dfu, jlink, serial, stlink
CURRENT: upload_protocol = custom
Uploading .pio\build\debug_STM32F446RE\firmware.bin
xPack Open On-Chip Debugger 0.12.0-01004-g9ea7f3d64-dirty (2023-01-30-15:04)
Licensed under GNU GPL v2
For bug reports, read
        http://openocd.org/doc/doxygen/bugs.html
jtag
Info : clock speed 2000 kHz
Info : JTAG tap: stm32f4x.cpu tap/device found: 0x4ba00477 (mfg: 0x23b (ARM Ltd), part: 0xba00, ver: 0x4)
Info : JTAG tap: stm32f4x.bs tap/device found: 0x06421041 (mfg: 0x020 (STMicroelectronics), part: 0x6421, ver: 0x0)
Info : [stm32f4x.cpu] Cortex-M4 r0p1 processor detected
Info : [stm32f4x.cpu] target has 6 breakpoints, 4 watchpoints
Info : starting gdb server for stm32f4x.cpu on 3333
Info : Listening on port 3333 for gdb connections
Info : JTAG tap: stm32f4x.cpu tap/device found: 0x4ba00477 (mfg: 0x23b (ARM Ltd), part: 0xba00, ver: 0x4)
Info : JTAG tap: stm32f4x.bs tap/device found: 0x06421041 (mfg: 0x020 (STMicroelectronics), part: 0x6421, ver: 0x0)
[stm32f4x.cpu] halted due to debug-request, current mode: Thread 
xPSR: 0x01000000 pc: 0x08000e50 msp: 0x20020000
** Programming Started **
Info : device id = 0x10006421
Info : flash size = 512 KiB
** Programming Finished **
** Verify Started **
** Verified OK **
** Resetting Target **
Info : JTAG tap: stm32f4x.cpu tap/device found: 0x4ba00477 (mfg: 0x23b (ARM Ltd), part: 0xba00, ver: 0x4)
Info : JTAG tap: stm32f4x.bs tap/device found: 0x06421041 (mfg: 0x020 (STMicroelectronics), part: 0x6421, ver: 0x0)
shutdown command invoked
===================================================================== [SUCCESS] Took 4.40 seconds =====================================================================

Thank you maxgerhardt for your patience and help.
Und ich wünsche ein schönes Wochenende